随着汽车行业智能化、网联化、电动化的变革,电动车辆的EMC测试,正日渐成为车辆研发测试中至关重要的领域。
本篇是系列文章的第一部分,重点解读电动车辆高压元器件 EMC 测试标准与应用,以及 AMETEK CTS 实现相应测试的解决方案。
电动车辆 EMC 测试应用与标准一览


高压元器件测试
电动车辆高压元器件的直流标准和测试包括:
下面,我们就来详细解析这些标准需要执行的测试。
ISO 21498:电动道路车辆——B级电压系统和组件的电气规范和试验
ISO 21498 标准的第 1 部分提供了可充电能量存储系统 (RESS) 和电力推进系统的电压子类和特性的定义。它根据工作电压定义了这些子类的,其中列出的电压子类用于当前或未来各种电动道路车辆的电压 B 级系统。第 2 部分提供了用于电动道路车辆的 B 级电压的电气和电子元件的电气测试。考虑到通常的驾驶场景以及与正常操作的偏差,涵盖了所有相关特性, 概括性地描述了测试的目的、设置、程序和要求。
ISO 21498-1 电压等级和运行状态> 30 and ≤ 1000 VAC | |

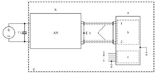
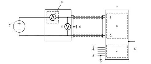
ISO 21498-2 元器件电气试验
ISO 21498-2 测试设置
a DUT
b B 级电压电路
c A 级电压电路
1 B 级电压连接:HV+
2 B 级电压连接:HV-
3 A 级电压功率
4 I/O 和总线信号
5 直接连接到电压等级 A 电池接地的端子
6 电动底盘
7 高压直流电源
8 电流传感器(可选)

a DUT
b B 级电压电路
c A 级电压电路
f 与车辆内部一致的电缆,其长度应由客户和供应商商定
g 接地平面
h 可屏蔽盒(可选)
AN 人工网络(附录D)
CS 与B类电压电压源并联的去耦电容器,靠近人工网络(如需)
1 B 级电压连接:HV+
2 B 级电压连接:HV-
3 A 级电压功率
4 I/O 和总线信号
5 直接连接到电压等级 A 电池接地的端子
6 电动底盘
7 高压直流电源
LV 123 标准概述

LV 123 - 高压电压范围
LV 123 标准的一个特点是固定的电压范围:
电压变化
电压变化的曲线
电压变化的解决方案

VW 80300(2021) 标准概述抛负载 2 | ||
VW 80300 - 测试设置

ISO TS 7637-4 标准
ISO TS 7637-4:道路车辆 - 传导和耦合引起的电气干扰 - 第 4 部分:仅沿屏蔽高压电源线的电瞬态传导
ISO 7637 标准的这一部分对测试方法和程序做出了规定,以确保在装载了 60 V-1,500 V DC 电气系统的乘用车和商用车辆上所安装的设备,其沿屏蔽高压供电线路的传导电气瞬变的兼容性,并保证车辆安装了与车身绝缘的供电电源。标准描述了包括瞬态注入和测量在内的台架测试,适用于所有类型的电气动独立驱动道路车辆(例如纯电动汽车(BEV)、或混合动力汽车(HEV)或插电式混合动力汽车(PHEV))。
Pulse A | ||
Pulse B |

RIPPLE IMMUNITY TESTING
纹波抗扰度测试
纹波是一种叠加在高压直流电源线上的电气干扰,它是由逆变器内的电力电子设备产生的,并传输回高压系统。当逆变器改变电机的频率和电压以控制车辆速度时,纹波电压和电流会发生波动。当 BMS (电池管理系统)出现纹波时,车辆可能会受到不良影响,例如主继电器断开导致*断电。纹波电流具有破坏性,可能会损坏敏感元件,包括 DC-DC 转换器的输入滤波器。
纹波抗扰度测试即在直流电源线上的叠加纹波,进行抗扰度试验。ISO 21498、ISO 7637-4、LV 123、MBN 11123、VW 80300、Renault 36-800-811、BMW G5 95023 等许多国际和制造商标准都涵盖了纹波抗扰度测试的要求。

纹波的幅度和频率范围因标准而异,但通常在 10 Hz 至 300k Hz 内,最高可达 80Vpp。



AMETEK CTS 针对纹波抗扰度测试设计的解决方案——Ripple NX



纹波 - 抗扰度 vs 发射限制
纹波发射测试- 解决方案


LOAD DUMP EMISSION
抛负载发射测试

抛负载发射测试- 解决方案
扫一扫,关注微信
微信扫一扫